Eyelet Rivet

Eyelet Rivet

A fűzőlyukú szegecs kicsi, de hasznos rögzítőelem. Rövid cső alakú, és gyakran sárgarézből vagy acélból készül. Felszereléskor a szegecs farka kiszélesedik, hogy biztonságosan összekapcsolja az anyagokat. A világon számos cég gyártja ezeket a megbízható alkatrészeket. A kínai Dongguanban székelő Nuote Metals a minőségi szegecsek ismert gyártója.

Kérdés küldése

termékleírás

A füles szegecs bemutatása

A fűzőlyukú szegecs erős, tartós kötést hoz létre az anyagok között. A tömör szegecsekkel ellentétben ennek üreges a közepe. Ez a lyuk könnyűvé teszi a fűzőlyuk szegecsét. Vezetékeket vagy kis kábeleket is átengedhet rajta. A fűzőlyukú szegecs behelyezése gyors és egyszerű. Ezért sok gyár szereti használni.


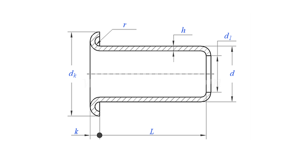
Szegecsszem paraméter (specifikáció)

Anyag Sárgaréz, acél, alumínium, rozsdamentes acél, réz
Felületkezelés Tiszta, horganyzás, nikkelezés, ezüstözött, igény szerint
Bizonyítvány Rohs kompatibilis
Szár átmérője 0,8-10 mm
Tolerancia +/-0,05 mm
Alkalmazás Különböző iparágakban használható, beleértve az autógyártást, a repülőgépgyártást, az elektromos és elektronikai gyártást stb.
Minőségellenőrzés A 100%-os teljes körű gyártási ellenőrzés biztosítja, hogy minden termék megfeleljen az ISO szabványnak, garantálva a kiváló minőségű termékeket.



fűzőlyuk szegecsrajz az alábbiak szerint:


Eyelet Rivet funkció és alkalmazás

A fűzőlyukú szegecseket sok mindennapi dologban találhatja meg. Cipőkben a fűzőkhöz és táskákban a pántokhoz használják. Ez a kis alkatrész az elektronikában és az autókban is nagyon fontos. Erősen összetartja a különböző anyagokat. A fűzőlyukszegecs egyszerű, de megbízható megoldás számos összeszerelési igényre.


Eyelet Rivet gyártási részletek

Csomagolási információk

GYIK:

1. kérdés: Mi az Ön MOQ-ja a fűzőlyuk szegecséhez?

A szegecsek MOQ-ja 20 000 db.


2. kérdés: Testreszabhatja a készítést a rajzunkkal?

Igen, a legtöbb csőszegecsünk személyre szabottan készül az ügyfél rajzával.


Q3: Tudna adni ingyenes mintákat az üreges szegecsekből?

Ingyenes mintákat tudunk biztosítani a raktáron lévő mérethez, de az ügyfelek fizetik az expressz díjat.


4. kérdés: Mennyi a szállítási idő?

Raktáron lévő szegecsek mérete: 3-5 nap, nem szabványos szegecsek: 15-25 nap. Garanciális minőséggel a lehető legrövidebb időn belül kiszállítjuk.


Q5: Termékei minősége?

A vállalat fejlett gyártási és tesztelési berendezésekkel rendelkezik. Minden terméket 100%-ban ellenőriz a minőségellenőrző részlegünk a szállítás előtt.


6. kérdés: Miért választjuk a Nuote technológiát?

1. A Nuote tiszteletben tartja az ügyfelek feltételeit az ügyfelek adatvédelmi projektjei védelme érdekében.

2. Kiváló minőség vonzó áron

3.Gyors átfutási idő

4. Boldog üzlet és őszinteség az ügyfél és a partner felé

5. A professzionális értékesítési hirdetés 8 órán belül válaszol kérdésére.

6. A Nuote termékeit és szolgáltatásait több mint 70 jó hírnévvel rendelkező országban értékesítik


Hot Tags: Szegecs szegecs, kínai fűzőszegecs, fűzőlyuk szegecs gyártó
Kapcsolódó kategória
Kérdés küldése
Kérdését az alábbi űrlapon adja meg. 24 órán belül válaszolunk.
X
Cookie-kat használunk, hogy jobb böngészési élményt kínáljunk, elemezzük a webhely forgalmát és személyre szabjuk a tartalmat. Az oldal használatával Ön elfogadja a cookie-k használatát. Adatvédelmi szabályzat