SS Eyelets

SS Eyelets

Mi vagyunk a Nuote Metals Dongguanból. Üzemünk minden nap erős SS-szemeket készít. Az SS rozsdamentes acélt jelent. Ezek az ss fűzőlyukak nem rozsdásodnak könnyen. Elkészítésükhöz jó rozsdamentes acélt használunk. Ss fűzőlyukaink különböző méretűek. Némelyik kicsi a könnyű tárgyakhoz. Némelyik nagy igénybevételre alkalmas. Csapatunk minden ss-szemet ellenőriz. Megnézik a kivitelt és a formát. Sok vásárló választja az SS fűzőlyukakat. Szeretik, ha sokáig tartanak és fényesek maradnak. Gyorsan tudunk mintát készíteni az új rendelésekhez.

Kérdés küldése

termékleírás

SS Eyelets Bevezetés

Az SS fűzőlyukak rozsdamentes acélból készült fémgyűrűk. Erősebbé teszik az anyagokban lévő lyukakat. Ezek az ss fűzőlyukak jól működnek nedves helyeken. Az eső vagy a pára nem károsítja őket. Évekig megőrzik erejüket. Az ss fűzőlyukak felszereléséhez présgépre van szükség. A gép az ss lyukat az anyagba helyezi. Ezután szorosan ül és nem mozdul. Így a termékek készen állnak a nehéz körülményekre.


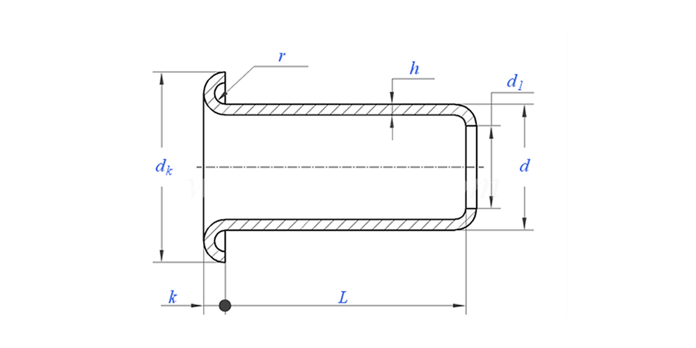
rajz az alábbiak szerint:


SS Eyelets paraméter (specifikáció)


Anyag rozsdamentes acél
Felületkezelés Tiszta, horganyzás, nikkelezés, ezüstözött, igény szerint
Bizonyítvány Rohs kompatibilis
Szár átmérője 0,8-10 mm
Tolerancia +/-0,05 mm
Alkalmazás Különböző iparágakban használható, beleértve az autógyártást, a repülőgépgyártást, az elektromos és elektronikai gyártást stb.
Minőségellenőrzés A 100%-os teljes körű gyártási ellenőrzés biztosítja, hogy minden termék megfeleljen az ISO szabványnak, garantálva a kiváló minőségű termékeket.



SS Eyelets funkció és alkalmazás

Az SS fűzőlyukakat sok mindenben használják. A kültéri felszerelések, mint a sátrak, SS fűzőlyukakat használnak a kötelekhez. A táskákhoz és cipőkhöz fűzőhöz és pánthoz van szükségük. A konyhai függönyök néha ss lyukúak is. A munkaruhák és az egyenruhák ss fűzőlyukakat használnak a tartósság érdekében. A csónakoknak és a tengeri tárgyaknak ss-lyukak szükségesek, mert ellenállnak a sós víznek. Még egyes szerszámok és berendezések is használnak SS-szemeket. Ezek az ss fűzőlyukak segítenek a termékeknek erős és rendezett maradni. Ügyfeleink megbíznak az SS-szemekben projektjeikhez. Tudják, hogy ezek a lyukak nem fognak rozsdásodni vagy eltörni. Büszkék vagyunk arra, hogy jó ss-szemeket készítünk itt Dongguanban.


SS Eyelets Részletek

SS Eyelets Csomagolási információk

GYIK:

1. kérdés: Mi az Ön MOQ-ja a rozsdamentes acél fűzőlyukakhoz?

A szegecsek MOQ-ja 20 000 db.


Q2: Testreszabhatja a készítést a rajzunkkal?

Igen, a legtöbb csőszegecsünk személyre szabottan készül az ügyfél rajzával.


Q3: Tudna adni ingyenes mintákat az üreges szegecsekből?

Ingyenes mintákat tudunk biztosítani a raktáron lévő mérethez, de az ügyfelek fizetik az expressz díjat.


4. kérdés: Mennyi a szállítási idő?

Raktáron lévő szegecsek mérete: 3-5 nap, nem szabványos szegecsek: 15-25 nap. Garanciális minőséggel a lehető legrövidebb időn belül kiszállítjuk.


Q5: Termékei minősége?

A vállalat fejlett gyártási és tesztelési berendezésekkel rendelkezik. Minden terméket 100%-ban ellenőriz a minőségellenőrző részlegünk a szállítás előtt.


6. kérdés: Miért választjuk a Nuote technológiát?

1. A Nuote tiszteletben tartja az ügyfelek feltételeit az ügyfelek adatvédelmi projektjei védelme érdekében.

2. Kiváló minőség vonzó áron

3.Gyors átfutási idő

4. Boldog üzlet és őszinteség az ügyfél és a partner felé

5. A professzionális értékesítési hirdetés 8 órán belül válaszol kérdésére.

6. A Nuote termékeit és szolgáltatásait több mint 70 jó hírnévvel rendelkező országban értékesítik


Hot Tags: SS Eyelets, Eyelets China Factory, SS Eyelets gyártó
Kapcsolódó kategória
Kérdés küldése
Kérdését az alábbi űrlapon adja meg. 24 órán belül válaszolunk.
X
Cookie-kat használunk, hogy jobb böngészési élményt kínáljunk, elemezzük a webhely forgalmát és személyre szabjuk a tartalmat. Az oldal használatával Ön elfogadja a cookie-k használatát. Adatvédelmi szabályzat