Szegecsszemek

Szegecsszemek

A szegecsszemek kis gyűrű alakú rögzítőelemek. Úgy tervezték, hogy egy lyukba helyezhető, majd a pereme le van hajtva, hogy összetartsa az anyagokat. A Dongguanban található Nuote Metals megbízható gyár ezeknek a hasznos alkatrészeknek a gyártására.

Kérdés küldése

termékleírás

Szegecsszemek bevezetése

A szegecsszem fő jellemzője az üreges közepe. Ez a lyuk könnyebbé teszi, mint egy tömör szegecs. Lehetővé teszi olyan dolgok áthaladását is, mint a vezetékek vagy zsinórok. A szegecsszem beszerelése gyors és egyszerű folyamat, ezért nagyon népszerűek a gyártásban.


Alkalmazási bemutató:

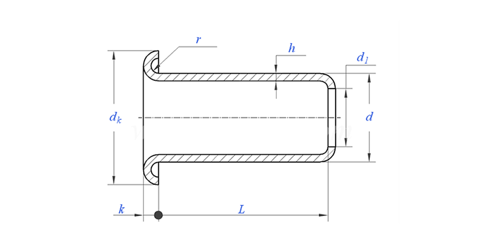
Szegecsszemek rajza az alábbiak szerint:



Szegecsszemek paramétere (specifikáció)



Anyag Sárgaréz, acél, alumínium, rozsdamentes acél, réz
Felületkezelés Tiszta, horganyzás, nikkelezés, ezüstözött, igény szerint
Bizonyítvány Rohs kompatibilis
Szár átmérője 0,8-10 mm
Tolerancia +/-0,05 mm
Alkalmazás Különböző iparágakban használható, beleértve az autógyártást, a repülőgépgyártást, az elektromos és elektronikai gyártást stb.
Minőségellenőrzés A 100%-os teljes körű gyártási ellenőrzés biztosítja, hogy minden termék megfeleljen az ISO szabványnak, garantálva a kiváló minőségű termékeket.




Szegecsszemek jellemzője és alkalmazása

A szegecsszemek számos általános termékben megtalálhatók. Cipőben használják a fűzőlyukak és táskákban a pántok rögzítéséhez. Az elektronikában és az autóalkatrészekben is fontosak. Mindezen felhasználások során a szegecsszem erős és tartós kapcsolatot biztosít.


Szegecsszemek Részletek

Csomagolási információk

GYIK:

1. kérdés: Mi a MOQ a szegecsszemekhez?

A szegecsek MOQ-ja 20 000 db.


Q2: Testreszabhatja a készítést a rajzunkkal?

Igen, a legtöbb csőszegecsünk személyre szabottan készül az ügyfél rajzával.


Q3: Tudna adni ingyenes mintákat az üreges szegecsekből?

Ingyenes mintákat tudunk biztosítani a raktáron lévő mérethez, de az ügyfelek fizetik az expressz díjat.


4. kérdés: Mennyi a szállítási idő?

Raktáron lévő szegecsek mérete: 3-5 nap, nem szabványos szegecsek: 15-25 nap. Garanciális minőséggel a lehető legrövidebb időn belül kiszállítjuk.


Q5: Termékei minősége?

A vállalat fejlett gyártási és tesztelési berendezésekkel rendelkezik. Minden terméket 100%-ban ellenőriz a minőségellenőrző részlegünk a szállítás előtt.


6. kérdés: Miért választjuk a Nuote technológiát?

1. A Nuote tiszteletben tartja az ügyfelek feltételeit az ügyfelek adatvédelmi projektjei védelme érdekében.

2. Kiváló minőség vonzó áron

3.Gyors átfutási idő

4. Boldog üzlet és őszinteség az ügyfél és a partner felé

5. A professzionális értékesítési hirdetés 8 órán belül válaszol kérdésére.

6. A Nuote termékeit és szolgáltatásait több mint 70 jó hírnévvel rendelkező országban értékesítik


Hot Tags: Szegecsszemek,Kínai Szegecsszemek,Szegecsszemek Gyártó
Kapcsolódó kategória
Kérdés küldése
Kérdését az alábbi űrlapon adja meg. 24 órán belül válaszolunk.
X
Cookie-kat használunk, hogy jobb böngészési élményt kínáljunk, elemezzük a webhely forgalmát és személyre szabjuk a tartalmat. Az oldal használatával Ön elfogadja a cookie-k használatát. Adatvédelmi szabályzat