Banner Eyelets

Banner Eyelets

Mi a Nuote Metals cég Dongguanból, Kínából. Reklámbannerekhez banner fűzőlyukakat készítünk. Üzemünk évek óta gyárt transzparens fűzőlyukakat. Erős anyagokat használunk a szalagszemek készítéséhez. A sárgaréz és az acél a fő alapanyagaink. Különböző szalagszemeket készítünk méretek. A kis bannerek kis szalagszemeket használnak. A nagy bannerekhez nagy szalagszemekre van szükség. Minden A szalagszemet munkatársaink ellenőrzik szállítás előtt. Gondoskodnak arról, hogy minden darab tökéletes legyen. Sok reklámcég használja szalaghirdetéseinket. Szeretik a minőségünket és a jó árunkat. Gyorsan tudunk mintákat készíteni új ügyfelek számára.

Kérdés küldése

termékleírás

Banner Eyelets Bevezetés

A szalagszemek fémgyűrűk transzparensekhez. A transzparensek szélei mentén helyezkednek el. Kötelek vagy húrok mennek át ezeken a szalagszemeken. A transzparens lyukak megkönnyítik a bannerek felakasztását. Megvédik a transzparens lyukait a szakadástól. A jó szalagszemek szélben és esőben is erősek maradnak. Nem rozsdásodnak és nem törnek el könnyen. A szalagszemek felszereléséhez speciális gépre van szükség. A gép minden szalagszemet a transzparens anyagába nyom. Ezután a szalagszem szilárdan a helyére kerül. Így a bannerek készen állnak a kültéri használatra.


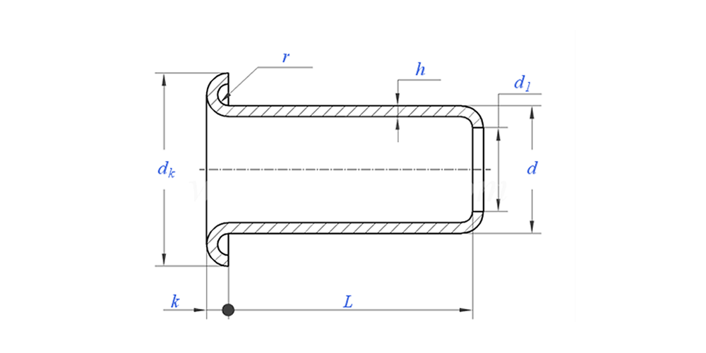
Banner Eyelets paraméter (specifikáció)



Anyag Sárgaréz, acél, alumínium, rozsdamentes acél, réz
Felületkezelés Tiszta, horganyzás, nikkelezés, ezüstözött, igény szerint
Bizonyítvány Rohs kompatibilis
Szár átmérője 0,8-10 mm
Tolerancia +/-0,05 mm
Alkalmazás Különböző iparágakban használható, beleértve az autógyártást, a repülőgépgyártást, az elektromos és elektronikai gyártást stb.
Minőségellenőrzés A 100%-os teljes körű gyártási ellenőrzés biztosítja, hogy minden termék megfeleljen az ISO szabványnak, garantálva a kiváló minőségű termékeket.



Banner Eyelets rajz az alábbiak szerint:

Banner Eyelets alkalmazás show:

Banner Eyelets funkció és alkalmazás

Banner fűzőlyukak mindenhol használatosak. A bolti bannerekhez szalagszemek szükségesek a felakasztáshoz. Az esemény bannerek szalagszemeket használnak az oszlopokhoz. Az utcai transzparenseken szalagszemek vannak a kötelekhez. A sportbannerekhez szalagszemekre van szükség a stadionokhoz. A fesztivál bannerek banner fűzőlyukakat is használnak. Még a beltéri táblákhoz is szükség van néha szalagszemekre. Ezek a szalagszemek segítik a bannerek hosszabb élettartamát és szép megjelenését. Ezért fontos a jó szalagszemek a reklámozáshoz. Ügyfeleink megbíznak a mi bannerszemeinkben a bannereik elkészítésében. Tudják, hogy a szalagszemek minden időben jól működnek.


Banner Eyelets gyártási részletek

Banner Eyelets Csomagolási információk

GYIK:

1. kérdés: Mi az Ön MOQ-ja a Banner Eyelets számára?

A szegecsek MOQ-ja 20 000 db.


Q2: Testreszabhatja a készítést a rajzunkkal?

Igen, a legtöbb csőszegecsünk személyre szabottan készül az ügyfél rajzával.


Q3: Tudna adni ingyenes mintákat az üreges szegecsekből?

Ingyenes mintákat tudunk biztosítani a raktáron lévő mérethez, de az ügyfelek fizetik az expressz díjat.


4. kérdés: Mennyi a szállítási idő?

Raktáron lévő szegecsek mérete: 3-5 nap, nem szabványos szegecsek: 15-25 nap. Garanciális minőséggel a lehető legrövidebb időn belül kiszállítjuk.


Q5: Termékei minősége?

A vállalat fejlett gyártási és tesztelési berendezésekkel rendelkezik. Minden terméket 100%-ban ellenőriz a minőségellenőrző részlegünk a szállítás előtt.


6. kérdés: Miért választjuk a Nuote technológiát?

1. A Nuote tiszteletben tartja az ügyfelek feltételeit az ügyfelek adatvédelmi projektjei védelme érdekében.

2. Kiváló minőség vonzó áron

3.Gyors átfutási idő

4. Boldog üzlet és őszinteség az ügyfél és a partner felé

5. A professzionális értékesítési hirdetés 8 órán belül válaszol kérdésére.

6. A Nuote termékeit és szolgáltatásait több mint 70 jó hírnévvel rendelkező országban értékesítik


Hot Tags: Banner Eyelets,Kína Banner Eyelets,Banner Eyelets Gyártó
Kapcsolódó kategória
Kérdés küldése
Kérdését az alábbi űrlapon adja meg. 24 órán belül válaszolunk.
X
Cookie-kat használunk, hogy jobb böngészési élményt kínáljunk, elemezzük a webhely forgalmát és személyre szabjuk a tartalmat. Az oldal használatával Ön elfogadja a cookie-k használatát. Adatvédelmi szabályzat