Sátorszemek

Sátorszemek

Mi vagyunk a Nuote Metals Dongguan Kínából. Üzemünk erős sátorszemeket készít kültéri használatra. Évek óta készítünk sátorszemeket. Sátorszemeink jó anyagokból készülnek. Rozsdamentes acélt és sárgarezet használunk, amelyek nem rozsdásodnak. Különböző méretű sátorszemeket készítünk. Néhány kicsi könnyű sátrakhoz. Vannak, amelyek nagyok a nehéz sátrak számára. Munkatársaink minden sátorszemet ellenőriznek. Gondoskodnak arról, hogy minden sátorszem tökéletes legyen. Sok kempingcég vásárolja meg sátorszemeinket. Szeretik a jó minőséget és a korrekt árunkat.

Kérdés küldése

termékleírás

Sátorszemek Bevezetés

A sátorszemek fémgyűrűk sátrakhoz. Sátorszövetre teszik őket. Kötelek és rudak mennek át ezeken a sátorszemeken. A sátorszemek erőssé és stabillá teszik a sátrat. Megakadályozzák a sátorszövet szétszakadását a szélben. A jó sátorszemek sok évig kitartanak. Még esőben és napsütésben sem törnek el. A sátorszemek behelyezéséhez speciális gép szükséges. A gép belenyomja a sátorszemet az anyagba. Ekkor a sátorszem szilárdan ott marad.



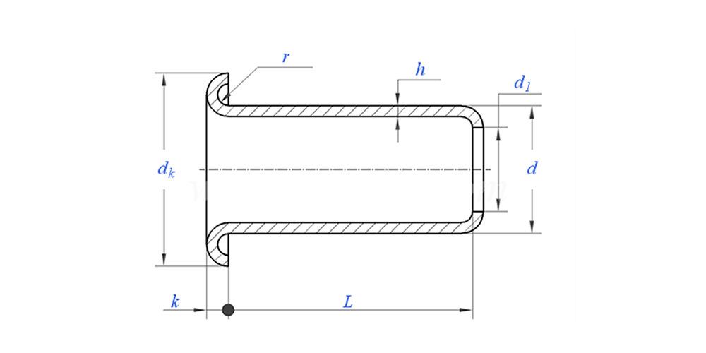
Sátorszemek paramétere (specifikáció)



Anyag Sárgaréz, acél, alumínium, rozsdamentes acél, réz
Felületkezelés Tiszta, horganyzás, nikkelezés, ezüstözött, igény szerint
Bizonyítvány Rohs kompatibilis
Szár átmérője 0,8-10 mm
Tolerancia +/-0,05 mm
Alkalmazás Különböző iparágakban használható, beleértve az autógyártást, a repülőgépgyártást, az elektromos és elektronikai gyártást stb.
Minőségellenőrzés A 100%-os teljes körű gyártási ellenőrzés biztosítja, hogy minden termék megfeleljen az ISO szabványnak, garantálva a kiváló minőségű termékeket.


Sátorszemek rajza az alábbiak szerint:

Pályázati bemutató:


A sátorszemek funkciója és alkalmazása

A sátorszemeket sokféleképpen használják. Minden kempingsátorhoz sátorszemek szükségesek. A nagy családi sátrak sok sátorszemet használnak. A kültéri árnyékoló sátrak sátorszemeket is használnak. Egyes táskákon sátorszemek találhatók a megkötéshez. A ponyvák sátorszemeket használnak a lekötéshez. Még néhány sporteszköznek is szüksége van sátorszemekre. A sátorszemek biztonságossá és tartóssá teszik a kültéri felszerelést. Ezért fontosak a minőségi sátorszemek a kültéri termékekhez. Ügyfeleink bíznak sátorszemeinkben kempingezési igényeik kielégítésében.


Ruházati fűzőlyuk Gyártási részletek

Csomagolási információk

GYIK:

1. kérdés: Mi a MOQ a sátorszemekhez?

A szegecsek MOQ-ja 20 000 db.


2. kérdés: Testreszabhatja a készítést a rajzunkkal?

Igen, a legtöbb csőszegecsünk személyre szabottan készül az ügyfél rajzával.


Q3: Tudna adni ingyenes mintákat az üreges szegecsekből?

Ingyenes mintákat tudunk biztosítani a raktáron lévő mérethez, de az ügyfelek fizetik az expressz díjat.


4. kérdés: Mennyi a szállítási idő?

Raktáron lévő szegecsek mérete: 3-5 nap, nem szabványos szegecsek: 15-25 nap. Garanciális minőséggel a lehető legrövidebb időn belül kiszállítjuk.


Q5: Termékei minősége?

A vállalat fejlett gyártási és tesztelési berendezésekkel rendelkezik. Minden terméket 100%-ban ellenőriz a minőségellenőrző részlegünk a szállítás előtt.


6. kérdés: Miért választjuk a Nuote technológiát?

1. A Nuote tiszteletben tartja az ügyfelek feltételeit az ügyfelek adatvédelmi projektjei védelme érdekében.

2. Kiváló minőség vonzó áron

3.Gyors átfutási idő

4. Boldog üzlet és őszinteség az ügyfél és a partner felé

5. A professzionális értékesítési hirdetés 8 órán belül válaszol kérdésére.

6. A Nuote termékeit és szolgáltatásait több mint 70 jó hírnévvel rendelkező országban értékesítik


Hot Tags: Sátorszemek, Sátorszemek gyártója, Kínai Sátorszemek
Kapcsolódó kategória
Kérdés küldése
Kérdését az alábbi űrlapon adja meg. 24 órán belül válaszolunk.
X
Cookie-kat használunk, hogy jobb böngészési élményt kínáljunk, elemezzük a webhely forgalmát és személyre szabjuk a tartalmat. Az oldal használatával Ön elfogadja a cookie-k használatát. Adatvédelmi szabályzat