Oilcan Eyelets

Oilcan Eyelets

A rozsdamentes acél olajkanna fűzőlyukak speciális kis gyűrűk, amelyeket olajkannában használnak. Nevét a hagyományos olajos kannákban való klasszikus használatukról kapták. A kínai Dongguanban található Nuote Metals megbízható, rozsdamentes acélból készült olajkanna fűzőlyukakat gyárt különböző méretekben.

Kérdés küldése

termékleírás

Az Oilcan Eyelets bemutatása

Ezek az olajkanna fűzőlyukak egyetlen darab rozsdamentes acélból készülnek. Ez erőssé és rozsdásodóvá teszi őket, ami nagyon fontos a tartós használathoz. A kialakítás tartalmaz egy üreges középpontot és egy előre kialakított hornyot. Ez a horony megkönnyíti az olajkannák lyukak biztonságos préselését egy fémlemez furatba, különösebb erőfeszítés nélkül. A telepítés gyors, szoros és tartós tömítést hoz létre.


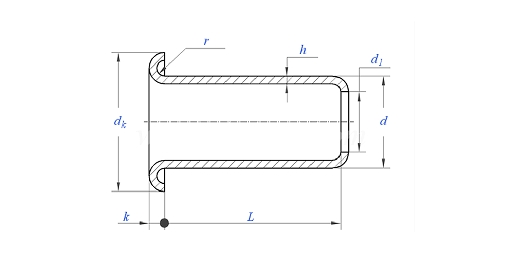
Az Oilcan Eyelets rajza az alábbiak szerint:

olajkanna fűzőlyukak alkalmazása mutatja:

Oilcan Eyelets paraméter (specifikáció)


Anyag Rozsdamentes acél 304
Felületkezelés Tiszta, horganyzás, nikkelezés, ezüstözött, igény szerint
Bizonyítvány Rohs kompatibilis
Szár átmérője 0,8-10 mm
Tolerancia +/-0,05 mm
Alkalmazás Különböző iparágakban használható, beleértve az autógyártást, a repülőgépgyártást, az elektromos és elektronikai gyártást stb.
Minőségellenőrzés

A 100%-os teljes körű gyártási ellenőrzés biztosítja, hogy minden termék megfeleljen az ISO szabványnak, garantálva a kiváló minőségű termékeket.


Az Oilcan Eyelets jellemzője és alkalmazása

Ezeket az olajkanna lyukakat ott találja, ahol a legnagyobb szükség van rájuk: egy olajkanna kifolyóján. Sima, megerősített lyukat hoznak létre, hogy az olaj átfolyjon. Ez az egyszerű rész megkönnyíti és tisztábbá teszi a doboz használatát. A kifolyót is sokkal erősebbé teszi, így nem kopik könnyen. Jó olajkanna fűzőlyuk nélkül a fém éle érdessé válhat és szivárgást okozhat. Ezért olyan fontos ez a kis rész egy megbízható olajkannánál.


olajkanna fűzőlyukak Gyártási részletek

Csomagolási információk


GYIK:

1. kérdés: Mi az Ön MOQ-ja az olajdoboz lyukak esetében?

A szegecsek MOQ-ja 20 000 db.


2. kérdés: Testreszabhatja a készítést a rajzunkkal?

Igen, a legtöbb csőszegecsünk személyre szabottan készül az ügyfél rajzával.


Q3: Tudna adni ingyenes mintákat az üreges szegecsekből?

Ingyenes mintákat tudunk biztosítani a raktáron lévő mérethez, de az ügyfelek fizetik az expressz díjat.


4. kérdés: Mennyi a szállítási idő?

Raktáron lévő szegecsek mérete: 3-5 nap, nem szabványos szegecsek: 15-25 nap. Garanciális minőséggel a lehető legrövidebb időn belül kiszállítjuk.


Q5: Termékei minősége?

A vállalat fejlett gyártási és tesztelési berendezésekkel rendelkezik. Minden terméket 100%-ban ellenőriz a minőségellenőrző részlegünk a szállítás előtt.


6. kérdés: Miért választjuk a Nuote technológiát?

1. A Nuote tiszteletben tartja az ügyfelek feltételeit az ügyfelek adatvédelmi projektjei védelme érdekében.

2. Kiváló minőség vonzó áron

3.Gyors átfutási idő

4. Boldog üzlet és őszinteség az ügyfél és a partner felé

5. A professzionális értékesítési hirdetés 8 órán belül válaszol kérdésére.

6. A Nuote termékeit és szolgáltatásait több mint 70 jó hírnévvel rendelkező országban értékesítik





Hot Tags: Olajkanna lyukak, Olajkanna lyukak, Rozsdamentes acél lyukak olajkannához
Kapcsolódó kategória
Kérdés küldése
Kérdését az alábbi űrlapon adja meg. 24 órán belül válaszolunk.
X
Cookie-kat használunk, hogy jobb böngészési élményt kínáljunk, elemezzük a webhely forgalmát és személyre szabjuk a tartalmat. Az oldal használatával Ön elfogadja a cookie-k használatát. Adatvédelmi szabályzat