316-os rozsdamentes acél fűzőlyukak

316-os rozsdamentes acél fűzőlyukak

Dongguani üzemünkben a Nuote Metals tartós 316-os rozsdamentes acél fűzőlyukakat gyárt. Ez az anyag különleges, mert nagyon jól ellenáll a rozsdának. Évek óta gyártunk 316 rozsdamentes acél szemet. Ezek a fűzőlyukak erősek és hosszú ideig tartanak. Különböző méretekben készítjük őket. Néhányuk kicsi a kényes termékekhez. Némelyik nagy igénybevételre alkalmas. Csapatunk minden 316-os rozsdamentes acélszemet ellenőriz. Biztosítják, hogy minden darab sima és tiszta legyen. Sok vásárló választja 316 rozsdamentes acél fűzőlyukunkat. Bíznak a minőségben és a tartósságban. Néhány napon belül mintát tudunk adni.

Kérdés küldése

termékleírás

316-os rozsdamentes acél fűzőlyukak Bevezetés

A 316 rozsdamentes acél fűzőlyuk kiváló minőségű acélból készül. Ez az acél molibdént tartalmaz. Ezáltal a 316 rozsdamentes acél fűzőlyuk jobban ellenáll a korróziónak. Sós vízben vagy párás levegőben nem rozsdásodnak. Ezek a lyukak nyomás alatt is erősek. Nem hajolnak és nem törnek el könnyen. 316 rozsdamentes acél fűzőlyuk gyártásához precíz gépeket használunk. A gépek az acélt tökéletes gyűrűkre vágják és formálják. Ezután minden 316-os rozsdamentes acélszemet polírozunk. Ez szép felületet és sima éleket biztosít nekik.


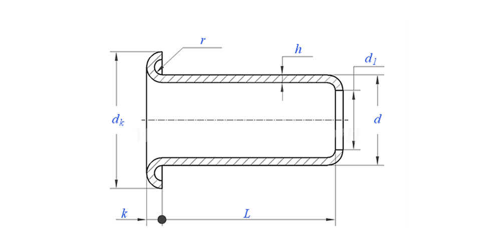
316 rozsdamentes acél fűzőlyuk rajza az alábbiak szerint:

316 rozsdamentes acél fűzőlyuk paraméter (specifikáció)



Anyag rozsdamentes acél
Felületkezelés Tiszta, horganyzás, nikkelezés, ezüstözött, igény szerint
Bizonyítvány Rohs kompatibilis
Szár átmérője 0,8-10 mm
Tolerancia +/-0,05 mm
Alkalmazás Különböző iparágakban használható, beleértve az autógyártást, a repülőgépgyártást, az elektromos és elektronikai gyártást stb.
Minőségellenőrzés A 100%-os teljes körű gyártási ellenőrzés biztosítja, hogy minden termék megfeleljen az ISO szabványnak, garantálva a kiváló minőségű termékeket.


A 316 rozsdamentes acél fűzőlyukak jellemzői és alkalmazása

316 rozsdamentes acél fűzőlyukat használnak nehéz körülmények között. A csónakok és tengeri felszerelések a sós víz miatt használják őket. A kültéri lámpatestek minden időjárás esetén használhatók. A vegyi üzemeknek időnként szükségük van rájuk ellenállásuk miatt. Élelmiszer-feldolgozó berendezések is használhatják őket. A kiváló minőségű kültéri felszereléshez ezekre a fűzőlyukkra van szükség. Még az építészeti projektek is 316 rozsdamentes acél lyukat használnak a dekoráció és a funkció érdekében. Oda választják őket, ahol a közönséges fűzőlyukak rozsdásodnának. Ügyfeleink 316 rozsdamentes acél fűzőlyukunkra támaszkodnak fontos alkalmazásokhoz. Tudják, hogy ezek a fűzőlyukak évekig jól fognak működni és jól néznek ki. Büszkék vagyunk arra, hogy ilyen megbízható termékeket készíthetünk itt Dongguanban.


316 rozsdamentes acél fűzőlyuk részletek


GYIK:

1. kérdés: Mi az Ön MOQ-ja a 316 rozsdamentes acél fűzőlyukhoz?

A szegecsek MOQ-ja 20 000 db.


Q2: Testreszabhatja a készítést a rajzunkkal?

Igen, a legtöbb csőszegecsünk személyre szabottan készül az ügyfél rajzával.


Q3: Tudna adni ingyenes mintákat az üreges szegecsekből?

Ingyenes mintákat tudunk biztosítani a raktáron lévő mérethez, de az ügyfelek fizetik az expressz díjat.


4. kérdés: Mennyi a szállítási idő?

Raktáron lévő szegecsek mérete: 3-5 nap, nem szabványos szegecsek: 15-25 nap. Garanciális minőséggel a lehető legrövidebb időn belül kiszállítjuk.


Q5: Termékei minősége?

A vállalat fejlett gyártási és tesztelési berendezésekkel rendelkezik. Minden terméket 100%-ban ellenőriz a minőségellenőrző részlegünk a szállítás előtt.


6. kérdés: Miért választjuk a Nuote technológiát?

1. A Nuote tiszteletben tartja az ügyfelek feltételeit az ügyfelek adatvédelmi projektjei védelme érdekében.

2. Kiváló minőség vonzó áron

3.Gyors átfutási idő

4. Boldog üzlet és őszinteség az ügyfél és a partner felé

5. A professzionális értékesítési hirdetés 8 órán belül válaszol kérdésére.

6. A Nuote termékeit és szolgáltatásait több mint 70 jó hírnévvel rendelkező országban értékesítik

Hot Tags: 316 rozsdamentes acél fűzőlyukak, SUS316L fűzőlyukak, Kína rozsdamentes acél fűzőlyukak
Kapcsolódó kategória
Kérdés küldése
Kérdését az alábbi űrlapon adja meg. 24 órán belül válaszolunk.
X
Cookie-kat használunk, hogy jobb böngészési élményt kínáljunk, elemezzük a webhely forgalmát és személyre szabjuk a tartalmat. Az oldal használatával Ön elfogadja a cookie-k használatát. Adatvédelmi szabályzat