Cipőszemek

Cipőszemek

A cipőszemeket a kínai Dongguanban található gyárunkban készítjük. A fűzőlyukak kis fémgyűrűk, és a cipőkön láthatók. gyűrűknek is nevezik. Erősítjük őket, hogy ne szakadjanak el, ha szorosra húzod a fűzőt. Cipőszemeink különböző fémekből, például sárgarézből, alumíniumból és rozsdamentes acélból készülnek. És különféle színekkel készíthetők, hogy mindenféle cipőhöz passzoljanak.

Kérdés küldése

termékleírás

A Shoe Eyelets fő feladata a cipő védelme. Amikor meghúzod a fűzőt, a fémgyűrű veszi át a nyomást a cipő anyaga helyett. Ez megakadályozza, hogy a lyukak nagyobbak legyenek vagy elszakadjanak. A jó cipőszemek megkönnyítik a fűzők átcsúsztatását is. Segítenek gyorsan megkötni a cipőt anélkül, hogy a fűzők elakadnának.


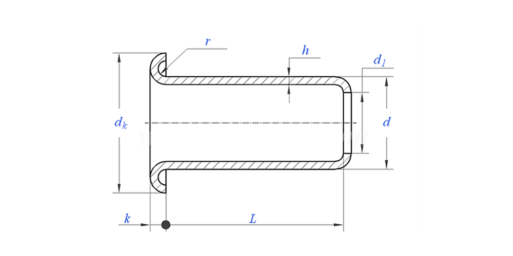
Cipőszemek rajza az alábbiak szerint:

Termékparaméter (specifikáció)



Anyag Sárgaréz, acél, alumínium, rozsdamentes acél, réz
Felületkezelés Tiszta, horganyzás, nikkelezés, ezüstözött, igény szerint
Bizonyítvány Rohs kompatibilis
Szár átmérője 0,8-10 mm
Tolerancia +/-0,05 mm
Alkalmazás Szinte minden fűzős cipőn láthat Cipőszemet. A gyerekek iskolai cipőinek ki kell bírniuk a durva játék során. A futócipők segítségével a sportolók biztonságosan illeszkednek. Még a díszes bőrcipőknek is van cipőszeme, bár néha dekoratívabbá teszik őket. E kis fémgyűrűk nélkül a cipőink sokkal gyorsabban elhasználódnának, és nehezebb lenne felvenni.
Minőségellenőrzés A 100%-os teljes körű gyártási ellenőrzés biztosítja, hogy minden termék megfeleljen az ISO szabványnak, garantálva a kiváló minőségű termékeket.



Pályázati bemutató:



A termék jellemzői és alkalmazása

Szinte minden fűzős cipőn láthat Cipőszemet. A gyerekek iskolai cipőinek ki kell bírniuk a durva játék során. A futócipők segítségével a sportolók biztonságosan illeszkednek. Még a díszes bőrcipőknek is van cipőszeme, bár néha dekoratívabbá teszik őket. E kis fémgyűrűk nélkül a cipőink sokkal gyorsabban elhasználódnának, és nehezebb lenne felvenni.


fém fűzőlyuk Gyártási részletek

Csomagolási információk

GYIK:

1. kérdés: Mi az Ön MOQ-ja a cipőszemhez?

A szegecsek MOQ-ja 20 000 db.


2. kérdés: Testreszabhatja a készítést a rajzunkkal?

Igen, a legtöbb csőszegecsünk személyre szabottan készül az ügyfél rajzával.


Q3: Tudna adni ingyenes mintákat az üreges szegecsekből?

Ingyenes mintákat tudunk biztosítani a raktáron lévő mérethez, de az ügyfelek fizetik az expressz díjat.


4. kérdés: Mennyi a szállítási idő?

Raktáron lévő szegecsek mérete: 3-5 nap, nem szabványos szegecsek: 15-25 nap. Garanciális minőséggel a lehető legrövidebb időn belül kiszállítjuk.


Q5: Termékei minősége?

A vállalat fejlett gyártási és tesztelési berendezésekkel rendelkezik. Minden terméket 100%-ban ellenőriz a minőségellenőrző részlegünk a szállítás előtt.


6. kérdés: Miért választjuk a Nuote Technology-t?

1.We Nuote tiszteletben tartja az ügyfelek feltételeit az ügyfelek adatvédelmi projektjei védelme érdekében.

2. Kiváló minőség vonzó áron

3.Gyors átfutási idő

4. Boldog üzlet és őszinteség az ügyfél és a partner felé

5. A professzionális értékesítési hirdetés 8 órán belül válaszol kérdésére.

6. A Nuote termékeit és szolgáltatásait több mint 70 jó hírnévvel rendelkező országban értékesítik


Hot Tags: Cipőszemek
Kérdés küldése
Kérdését az alábbi űrlapon adja meg. 24 órán belül válaszolunk.
X
We use cookies to offer you a better browsing experience, analyze site traffic and personalize content. By using this site, you agree to our use of cookies. Privacy Policy