Fém átvezetés

Fém átvezetés

Mi a Nuote Metals cég Dongguanból, Kínából. Üzemünk sokféle fém tömítőgyűrűt gyárt különböző felhasználási célokra. Több mint tíz éve gyártunk fémgyűrűs termékeket. Különböző fémeket használunk ezeknek a fémgyűrűs elemeknek az elkészítéséhez. A sárgaréz, az acél és az alumínium gyakori anyagok. Fém tömítőgyűrűt készítünk minden méretben. Kicsiket cipőnek, nagyokat ponyvának. Munkatársaink minden fém tömítést a csomagolás előtt ellenőriznek. Minden darabot tesztelnek, hogy megbizonyosodjanak arról, hogy jól működik. Sok vásárló rendszeresen vásárol fémgyűrűs termékeinket. Szeretik a jó minőségű és megbízható kínálatunkat.

Kérdés küldése

termékleírás

Bevezetés

A fém tömítőgyűrű olyan gyűrű, amely erősebbé teszi a lyukakat. Olyan anyagba van helyezve, mint a szövet vagy bőr. Ha áthúz valamit a fémgyűrűn, a lyuk nem szakad el. A fém tömítés védi az anyagot. Ezenkívül a termék elegáns megjelenését is biztosítja. A legtöbb fémgyűrűs darab kerek alakú. Könnyen felszerelhetők présgéppel. A gép gyorsan belehelyezi a fémgyűrűt az anyagba. Ezután a fém tömítőgyűrű szilárdan a helyén marad a hosszú használat során.


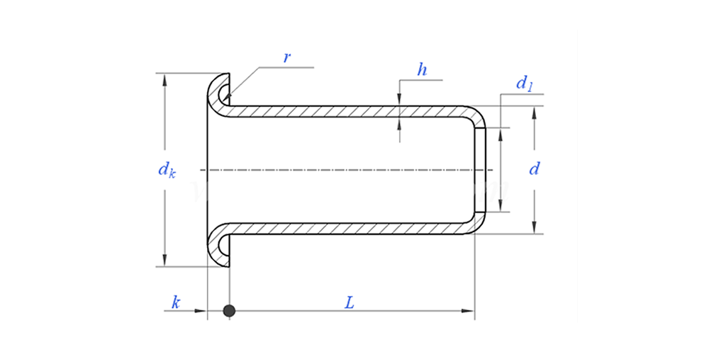
A fémgyűrű rajza az alábbiak szerint:

Fém tömítés paramétere (specifikáció)



Anyag Sárgaréz, acél, alumínium, rozsdamentes acél, réz
Felületkezelés Tiszta, horganyzás, nikkelezés, ezüstözött, igény szerint
Bizonyítvány Rohs kompatibilis
Szár átmérője 0,8-10 mm
Tolerancia +/-0,05 mm
Alkalmazás Különböző iparágakban használható, beleértve az autógyártást, a repülőgépgyártást, az elektromos és elektronikai gyártást stb.
Minőségellenőrzés A 100%-os teljes körű gyártási ellenőrzés biztosítja, hogy minden termék megfeleljen az ISO szabványnak, garantálva a kiváló minőségű termékeket.


Fém tömítés funkció és alkalmazás

A fém tömítésnek számos felhasználási területe van. A cipők fém tömítőgyűrűt használnak a fűzőlyukak kialakításához. A táskák fogantyúihoz és hevedereihez fém tömítőgyűrűt használnak. A sátrakhoz és ponyvákhoz fém tömítőgyűrűre van szükség a kötelekhez. Az olyan ruházaton, mint a kapucnis pulóver, néha fém tömítőgyűrű található a madzagokhoz. A bútorhuzatok rögzítéséhez fém tömítőgyűrűt használnak. Az ipari termékekhez különféle funkciókhoz fém tömítőgyűrűre is szükség van. Ez a kis fém tömítőgyűrű segít sok termék jobb működésében és hosszabb élettartamában. Ezért olyan sok gyár szeretné a mi fémgyűrűs termékeinket választani. Bíznak tapasztalatunkban és minőségellenőrzésünkben.


Fémruha gyártási részletek

Csomagolási információk

GYIK:

1. kérdés: Mi az Ön MOQ-ja a Metal Grommet számára?

A szegecsek MOQ-ja 20 000 db.


2. kérdés: Testreszabhatja a készítést a rajzunkkal?

Igen, a legtöbb csőszegecsünk személyre szabottan készül az ügyfél rajzával.


Q3: Tudna adni ingyenes mintákat az üreges szegecsekből?

Ingyenes mintákat tudunk biztosítani a raktáron lévő mérethez, de az ügyfelek fizetik az expressz díjat.


4. kérdés: Mennyi a szállítási idő?

Raktáron lévő szegecsek mérete: 3-5 nap, nem szabványos szegecsek: 15-25 nap. Garanciális minőséggel a lehető legrövidebb időn belül kiszállítjuk.


Q5: Termékei minősége?

A vállalat fejlett gyártási és tesztelési berendezésekkel rendelkezik. Minden terméket 100%-ban ellenőriz a minőségellenőrző részlegünk a szállítás előtt.


6. kérdés: Miért választjuk a Nuote technológiát?

1. A Nuote tiszteletben tartja az ügyfelek feltételeit az ügyfelek adatvédelmi projektjei védelme érdekében.

2. Kiváló minőség vonzó áron

3.Gyors átfutási idő

4. Boldog üzlet és őszinteség az ügyfél és a partner felé

5. A professzionális értékesítési hirdetés 8 órán belül válaszol kérdésére.

6. A Nuote termékeit és szolgáltatásait több mint 70 jó hírnévvel rendelkező országban értékesítik


Hot Tags: Fém tömítőgyűrű Kína, fém tömítőgyűrű gyártója, fémgyűrű beszállítója
Kapcsolódó kategória
Kérdés küldése
Kérdését az alábbi űrlapon adja meg. 24 órán belül válaszolunk.
X
Cookie-kat használunk, hogy jobb böngészési élményt kínáljunk, elemezzük a webhely forgalmát és személyre szabjuk a tartalmat. Az oldal használatával Ön elfogadja a cookie-k használatát. Adatvédelmi szabályzat