Fém fűzőlyukak

Fém fűzőlyukak

Valószínűleg sokszor látott már fémszemeket anélkül, hogy észrevette volna őket. Ezek azok a kis fémgyűrűk, amelyek megerősítik a lyukakat mindenféle termékben. A fém fűzőlyuk egyszerűnek tűnhet, de egy általános probléma megoldására készült: megakadályozza a lyukak elszakadását vagy elhasználódását. Akár a cipődben, akár a hátizsákodban van, ez a kis alkatrész keményen dolgozik, hogy tovább tartsa a dolgokat.

Kérdés küldése

termékleírás

A fémszemek bemutatása

A fém fűzőlyuk behelyezése meglehetősen egyszerű. A fő részt áthelyezi az anyagon, majd nyomja meg az alátétet a hátulján. A speciális szerszámok ezt gyorsan megtehetik, de az egyszerű szerszámok is jól működnek. A fémszemek nagyszerűsége az, hogy megvédi a lyuk körüli anyagot a kopástól és elhasználódástól, így mindent rendben és erősen tart.


Metal Eyelet alkalmazási show:

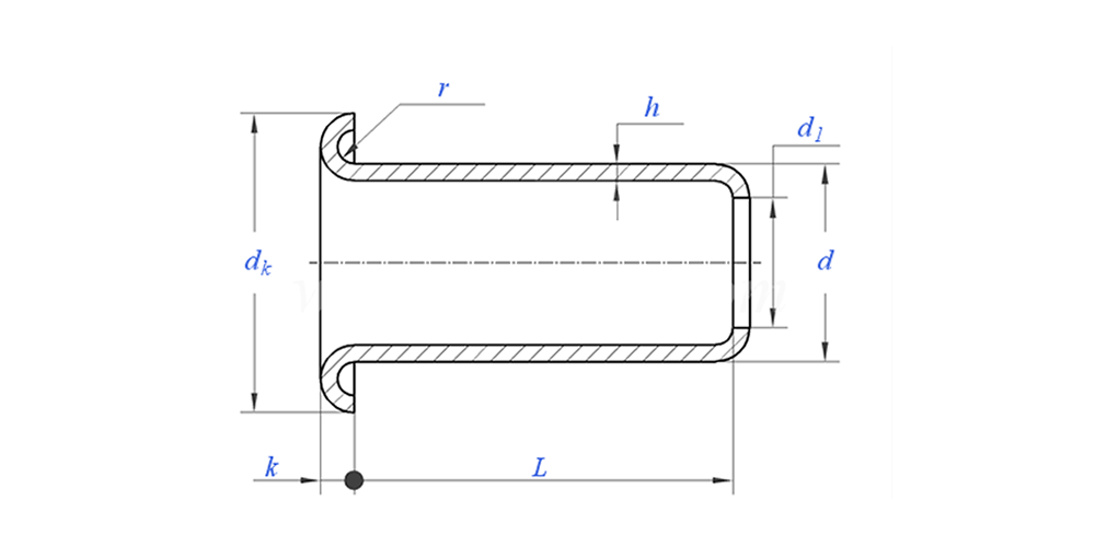
fém fűzőlyuk rajza az alábbiak szerint:


Fémszemek paramétere (specifikáció)



Anyag Sárgaréz, acél, alumínium, rozsdamentes acél, réz
Felületkezelés Tiszta, horganyzás, nikkelezés, ezüstözött, igény szerint
Bizonyítvány Rohs kompatibilis
Szár átmérője 0,8-10 mm
Tolerancia +/-0,05 mm
Alkalmazás Különböző iparágakban használható, beleértve az autógyártást, a repülőgépgyártást, az elektromos és elektronikai gyártást stb.
Minőségellenőrzés A 100%-os teljes körű gyártási ellenőrzés biztosítja, hogy minden termék megfeleljen az ISO szabványnak, garantálva a kiváló minőségű termékeket.



Fém fűzőlyukak jellemzője és alkalmazása

Meglepődnél, mennyi helyen találhatsz keményen működő fémszemeket. Ez az oka annak, hogy a cipőfűző lyukai nem szakadnak el ismételt használat után. Az olyan kültéri felszereléseknél, mint a sátrak és vitorlák, a fém fűzőlyukak hibátlanul bírják a nehéz időjárási viszonyokat. Ipari környezetben is nélkülözhetetlenek, segítik a kábelek és vezetékek rendszerezését. Ahol van egy védelemre szoruló lyuk, valószínűleg talál egy fém fűzőlyukat, amely elvégzi a feladatát.


Fém fűzőlyuk gyártási részletei

Csomagolási információk

GYIK:

1. kérdés: Mi az Ön MOQ-ja a fémszemhez?

A szegecsek MOQ-ja 20 000 db.


2. kérdés: Testreszabhatja a készítést a rajzunkkal?

Igen, a legtöbb csőszegecsünk személyre szabottan készül az ügyfél rajzával.


Q3: Tudna adni ingyenes mintákat az üreges szegecsekből?

Ingyenes mintákat tudunk biztosítani a raktáron lévő mérethez, de az ügyfelek fizetik az expressz díjat.


4. kérdés: Mennyi a szállítási idő?

Raktáron lévő szegecsek mérete: 3-5 nap, nem szabványos szegecsek: 15-25 nap. Garanciális minőséggel a lehető legrövidebb időn belül kiszállítjuk.


Q5: Termékei minősége?

A vállalat fejlett gyártási és tesztelési berendezésekkel rendelkezik. Minden terméket 100%-ban ellenőriz a minőségellenőrző részlegünk a szállítás előtt.


6. kérdés: Miért választjuk a Nuote technológiát?

1. A Nuote tiszteletben tartja az ügyfelek feltételeit az ügyfelek adatvédelmi projektjei védelme érdekében.

2. Kiváló minőség vonzó áron

3.Gyors átfutási idő

4. Boldog üzlet és őszinteség az ügyfél és a partner felé

5. A professzionális értékesítési hirdetés 8 órán belül válaszol kérdésére.

6. A Nuote termékeit és szolgáltatásait több mint 70 jó hírnévvel rendelkező országban értékesítik


Hot Tags: Fém fűzőlyukak, kínai fém fűzőlyukak, fém fűzőlyukak gyára
Kapcsolódó kategória
Kérdés küldése
Kérdését az alábbi űrlapon adja meg. 24 órán belül válaszolunk.
X
Cookie-kat használunk, hogy jobb böngészési élményt kínáljunk, elemezzük a webhely forgalmát és személyre szabjuk a tartalmat. Az oldal használatával Ön elfogadja a cookie-k használatát. Adatvédelmi szabályzat