Szem és alátét

Szem és alátét

Sok hétköznapi cikkben találhat fűzőlyukat és alátétet. Ezek kis fém alkatrészek. A fűzőlyuk olyan, mint egy kis gyűrű, az alátét pedig egy lapos tárcsa. Össze vannak nyomva, hogy erős, sima lyukat hozzon létre olyan anyagokban, mint a szövet vagy a műanyag. Ez megakadályozza az anyag szakadását. Kínában a Nuote Metals gyártja ezeket a kicsi, de hasznos alkatrészeket. sokféle fűzőlyukat és alátétet gyártunk különböző munkákhoz.

Kérdés küldése

termékleírás

A fűzőlyuk és alátét bevezetése

A fűzőlyuk és alátét az egyszerűségüktől válik hasznossá. Az anyagon lévő lyukon keresztül bedugja a lyukat. Ezután helyezze az alátétet a hátuljára. Egy gép nyomja őket, összenyomja a darabokat. Ez szorosan rögzíti az anyagot a kettő között. Az eredmény egy tiszta, erős lyuk, amely nem kopik el könnyen. Ennek az egyszerű kialakításnak köszönhetően a fűzőlyuk és alátét nagyon megbízható megoldás.


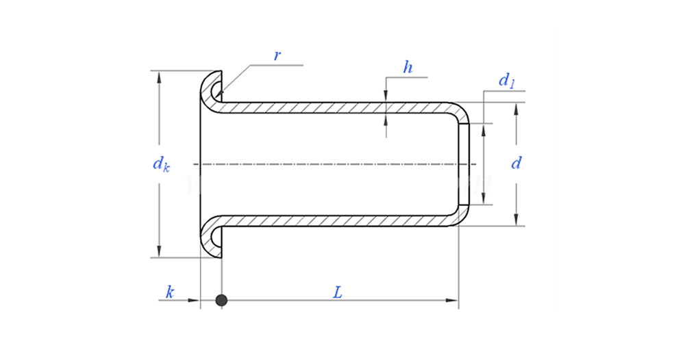
fűzőlyuk és alátétrajz az alábbiak szerint:

fűzőlyuk és alátét alkalmazása mutatja:

Szem és alátét paramétere (specifikáció)

Anyag Sárgaréz
Felületkezelés Tiszta, horganyzás, nikkelezés, ezüstözött, igény szerint
Fej típusa Kerek fejű tömör szegecsek
Bizonyítvány Rohs kompatibilis
Szár átmérője 0,8-8 mm
Tolerancia +/-0,05 mm
Alkalmazás Különböző iparágakban használható, beleértve az autógyártást, a repülőgépgyártást, az elektromos és elektronikai gyártást stb.
Minőségellenőrzés A 100%-os teljes körű gyártási ellenőrzés biztosítja, hogy minden termék megfeleljen az ISO szabványnak, garantálva a kiváló minőségű termékeket.




Szem és alátét funkció és alkalmazás

Jó példa arra, hogy hol látsz egy fűzőlyukat és alátétet egy olajos kannán. Sok olajos kannában van egy kis fém kiöntőcső. Ez a kifolyó sokat használ, és könnyen elszakadhat. De ha alaposan megnézi, gyakran látni fog egy kis fémgyűrűt, amely megerősíti a nyílást. Ez a fűzőlyuk és az alátét a munkahelyen. Erőssé teszi a kifolyót és megakadályozza a szivárgást, így az olajdoboz sokáig eláll. Tökéletesen használható ehhez az egyszerű alkatrészpárhoz.


fűzőlyuk és alátét Gyártási részletek

Csomagolási információk

GYIK:

1. kérdés: Mi az Ön MOQ-ja a fűzőlyukhoz és alátéthez?

A szegecsek MOQ-ja 20 000 db.


2. kérdés: Testreszabhatja a készítést a rajzunkkal?

Igen, a legtöbb csőszegecsünk személyre szabottan készül az ügyfél rajzával.


Q3: Tudna adni ingyenes mintákat az üreges szegecsekből?

Ingyenes mintákat tudunk biztosítani a raktáron lévő mérethez, de az ügyfelek fizetik az expressz díjat.


4. kérdés: Mennyi a szállítási idő?

Raktáron lévő szegecsek mérete: 3-5 nap, nem szabványos szegecsek: 15-25 nap. Garanciális minőséggel a lehető legrövidebb időn belül kiszállítjuk.


Q5: Termékei minősége?

A vállalat fejlett gyártási és tesztelési berendezésekkel rendelkezik. Minden terméket 100%-ban ellenőriz a minőségellenőrző részlegünk a szállítás előtt.


6. kérdés: Miért választjuk a Nuote technológiát?

1. A Nuote tiszteletben tartja az ügyfelek feltételeit az ügyfelek adatvédelmi projektjei védelme érdekében.

2. Kiváló minőség vonzó áron

3.Gyors átfutási idő

4. Boldog üzlet és őszinteség az ügyfél és a partner felé

5. A professzionális értékesítési hirdetés 8 órán belül válaszol kérdésére.

6. A Nuote termékeit és szolgáltatásait több mint 70 jó hírnévvel rendelkező országban értékesítik


Hot Tags: Szemek és alátétek, Kína Szemek és alátétek, Szemek és alátétek gyártója
Kapcsolódó kategória
Kérdés küldése
Kérdését az alábbi űrlapon adja meg. 24 órán belül válaszolunk.
X
Cookie-kat használunk, hogy jobb böngészési élményt kínáljunk, elemezzük a webhely forgalmát és személyre szabjuk a tartalmat. Az oldal használatával Ön elfogadja a cookie-k használatát. Adatvédelmi szabályzat