Kis sárgaréz fűzőlyukak

Kis sárgaréz fűzőlyukak

A Dongguanban található Nuote Metals kis sárgaréz fűzőlyukakat készít azoknak az ügyfeleknek, akiknek szükségük van rájuk. Ezek sárgarézből készült apró fémgyűrűk. A sárgaréz jó anyag – jól néz ki, nem rozsdásodik, és jól tart. Különböző méretű kis sárgaréz fűzőlyukakat készítünk, néhány milliméter átmérőjű. A kis sárgaréz fűzőlyukak minden egyes tétele sima éleket és egyenletes formát vizsgál. Az emberek akkor fordulnak hozzánk, amikor kis sárgaréz fűzőlyukkra van szükségük termékeikhez. Először készíthetünk mintákat, így láthatja, hogyan néznek ki és illeszkednek.

Kérdés küldése

termékleírás

Kis sárgaréz fűzőlyukak bevezetése

Kis sárgaréz fűzőlyukak a könnyű anyagok furatainak megerősítésére szolgálnak. Az emberek szövetbe, bőrbe vagy papírba teszik őket, hogy megakadályozzák a lyuk elszakadását. Mivel sárgaréz, a kis sárgaréz fűzőlyukak szép arany színűek, amelyek nem fakulnak ki. Beállításuk is egyszerű – egy egyszerű kézi prés vagy kis gép a helyükre tolja őket. A felszerelés után a kis sárgaréz fűzőlyukak a helyükön maradnak, és nem lazulnak ki. Kis méretük miatt tökéletesek olyan kényes tárgyakhoz, amelyeknél a nagyobb lyuk nem tűnik ki a helyéről.


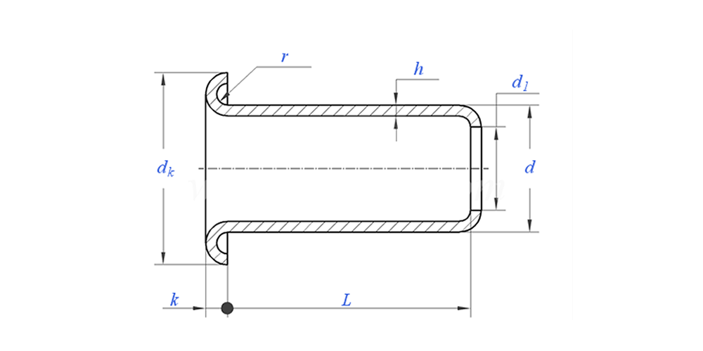
kis sárgaréz fűzőlyukak rajza az alábbiak szerint:

Különböző anyagokból készült fűzőlyukak

Különböző méretű sárgaréz fűzőszemeket, rozsdamentes acél fűzőlyukakat és acélszemeket, alumínium fűzőlyukakat, rézszemeket és speciális fűzőlyukakat készítünk.

  


  


A fűzőlyukak különböző anyagai és jellemzőik

Anyag Jellemzők Tipikus felületkezelés Tipikus alkalmazások Előnyök / Hátrányok / Megjegyzések
Sárgaréz Jó alakíthatóság, vonzó szín, jó elektromos vezetőképesség Nikkelezett, krómozott, aranyozott, szálcsiszolt, antik/öregített Ruházat, poggyász, övek, dekorációs alkatrészek, elektronikus csatlakozók Előnyök: Könnyen bélyegezhető, erős dekoratív vonzerő, jó korrózióállóság. Hátrányok: Közepes és magas költség; a réztartalom nedves környezetben elhalványulhat.
Vas / Acél Nagy szilárdságú, alacsony költségű, mágneses Horganyzott, feketített, porszórt, e-coat, tüzihorganyzott Ipari csomagolódobozok, vászonáruk, ponyvák, elektromos vezeték fűzőlyukak Előnyök: Alacsony költség, nagy teherbírás. Hátrányok: Gyenge korrózióállóság bevonat nélkül; viszonylag nehéz.
Rozsdamentes acél Kiváló korrózióállóság, nagy szilárdság, nem mágneses vagy gyengén mágneses Polírozott, szálcsiszolt, passzivált (általában nincs kiegészítő bevonat) Kültéri felszerelések, tengeri felszerelések, orvosi eszközök, vegyi környezetek, csúcskategóriás poggyászok Előnyök: Tartós, ellenáll a zord környezetnek, megfelel az egészségügyi követelményeknek. Hátrányok: Magas költség; nagyobb szerszámkopást okoz az alakítás során.
Alumínium Kis sűrűségű, könnyű, jó vezetőképességű, természetesen oxidréteget képez Eloxált, homokfúvott, természetes oxid, horganyzott Repülési könnyűszerkezetes alkatrészek, hordozható eszközök, elektronikus burkolatok, könnyű poggyász Előnyök: Könnyű, korrózióálló (oxidréteg). Hátrányok: Kisebb szilárdság, mint az acél; karcolásra hajlamos puha felület; nem alkalmas nagy terhelésű alkalmazásokhoz.
Réz Kiváló elektromos és hővezető, puha Ónozott, ezüstözött, nikkelezett (az oxidáció megelőzésére) PCB szegecselés, földelési sorkapcsok, nagyfrekvenciás árnyékoló csatlakozások Előnyök: Kiváló elektromos és hővezető képesség. Hátrányok: Magas költség; levegőn könnyen oxidálódik; általában védőréteget igényel.


A termék jellemzői és alkalmazása

A kis sárgaréz fűzőlyukakat sok mindenben használják. Az olyan ruházati cikkek, mint a kapucnis pulóver és a cipő, fűzőként használják őket. A kis táskákon és pénztárcákon kis sárgaréz fűzőlyukak vannak a szíjakhoz. A kézműves projektek, például a scrapbookok, szalaglyukak készítésére használják őket. Még egyes elektronikai eszközök és kütyük is apró kis sárgaréz fűzőlyukakat használnak a vezetékezéshez vagy a felszereléshez. Bőrárukban, övekben és kalapokban is gyakoriak. Ha kicsi, szép megjelenésű fémgyűrűre van szüksége, amely nem rozsdásodik, a kis sárgaréz fűzőlyukak elvégzik a munkát. Ügyfeleink mindenféle termékben használják őket.


A Nuote Metals minőségbiztosítási folyamata az Eyeletsről


Mi a különbség a jó minőségű és a rossz minőségű fűzőlyuk között?


Hogyan rendeljünk fűzőlyukakat a Nuote Metals-tól?

Kövesse az alábbi egyéni folyamattáblázatot.


GYIK:

1. kérdés: Mi az Ön MOQ-ja a kis sárgaréz fűzőlyukakhoz?

A szegecsek MOQ-ja 20 000 db.


2. kérdés: Testreszabhatja a készítést a rajzunkkal?

Igen, a legtöbb csőszegecsünk személyre szabottan készül az ügyfél rajzával.


Q3: Tudna adni ingyenes mintákat az üreges szegecsekből?

Ingyenes mintákat tudunk biztosítani a raktáron lévő mérethez, de az ügyfelek fizetik az expressz díjat.


4. kérdés: Mennyi a szállítási idő?

Raktáron lévő szegecsek mérete: 3-5 nap, nem szabványos szegecsek: 15-25 nap. Garanciális minőség mellett a lehető legrövidebb időn belül teljesítjük a kiszállítást.


Q5: Termékei minősége?

A vállalat fejlett gyártási és tesztelési berendezésekkel rendelkezik. Minden terméket 100%-ban ellenőriz a minőségellenőrző részlegünk a szállítás előtt.


6. kérdés: Miért választjuk a Nuote technológiát?

1.We Nuote tiszteletben tartja az ügyfelek feltételeit az ügyfelek adatvédelmi projektjei védelme érdekében.

2. Kiváló minőség vonzó áron

3.Gyors átfutási idő

4. Boldog üzlet és őszinteség az ügyfél és a partner felé

5. A professzionális értékesítési hirdetés 8 órán belül válaszol kérdésére.

6. A Nuote termékeit és szolgáltatásait több mint 70 jó hírnévvel rendelkező országban értékesítik

Hot Tags: Kis sárgaréz fűzőlyukak, kínai sárgaréz fűzőlyukak, sárgaréz fűzőlyukak gyártója
Kapcsolódó kategória
Kérdés küldése
Kérdését az alábbi űrlapon adja meg. 24 órán belül válaszolunk.
X
Cookie-kat használunk, hogy jobb böngészési élményt kínáljunk, elemezzük a webhely forgalmát és személyre szabjuk a tartalmat. Az oldal használatával Ön elfogadja a cookie-k használatát. Adatvédelmi szabályzat